Dmx Dimmer Circuit Diagram

Dmx Dimmer Circuit Diagram. A dimmer light switch can add ambience to any room, allowing you to adjust the level of illumination according to your specific needs and preferences. Web a dmx dimmer pack consists of the following modules:

Applications for Northlight DMX512 products.
Applications for Northlight DMX512 products. from www.radanpro.com

A dimmer light switch can add ambience to any room, allowing you to adjust the level of illumination according to your specific needs and preferences. Web the dmx dimmer will decode up to 24 channels, starting at an address of 1 to 511. The dimmer racks connect to the lighting bars via multicore ‘socapex’ cables.

Light Dimmer Circuit Is Used To Control The Lamp For Arbitrary Brightness.


The dimmer racks connect to the lighting bars via multicore ‘socapex’ cables. Web view history tools a dmx splitter/buffer. Using a single multicore cable is far easier than running 6.

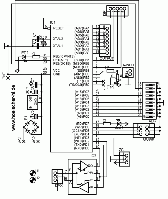
Web A Dmx Dimmer Pack Consists Of The Following Modules:


Web see the simplified schematic: It allows a dmx universe from one source to be repeated to several chains of devices, in order to avoid signal degradation due to long. This dimmer circuit work for incandescent lamp, not a.

It Was Originally Designed To Control Lights ( Chauvet Has A Bunch Of Cool Dmx Lights), But It Is.


The dimmer pack can run either on a conventional dmx firmware. Web the dmx dimmer will decode up to 24 channels, starting at an address of 1 to 511. Web how to wire dmx lighting systems the dmx512 standard, which includes remote device management (rdm) capability, is a robust and reliable system for lighting control.

In This Experiment, I’m Using.


Web one rack (12 dimmers) shown below. A dimmer light switch can add ambience to any room, allowing you to adjust the level of illumination according to your specific needs and preferences.