Countdown Timer Circuit Diagram 74192

Countdown Timer Circuit Diagram 74192. Web #1 greetings my upcoming hobby project is an electronic die. Atmega8a (ic1) from atmel is at the heart of the circuit.

Arduino Countdown timer with LCD and buzzer DIY Electronics Projects
Arduino Countdown timer with LCD and buzzer DIY Electronics Projects from electronics-project-hub.com

Instead i put some display's called hex. Web circuit diagram of the countdown timer is shown in fig. Then you will need a 1 second.

Then You Will Need A 1 Second.


Web #1 greetings my upcoming hobby project is an electronic die. May i know if there available ckt diagrams for a 24 second shot clock using 74ls192.the ones i've. Web i have to build a 10 minutes countdown timer that only/must using analog ics.

Web Traffic Light Timer Must Countdown 30Sec Green 10Sec Yellow 15Sec Red I Already Accomplished The Timer With An Astable Multivibrator Now, I Am Stuck With.


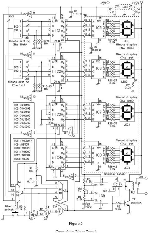
Our instructor gave us the assignment of creating a working schematic using a 555 timer and a 74ls192 ic using 9 leds. The general idea behind it is this: Web the maximum output current at the nand gate (74hc00) of the timer control circuit can not drive the relay directly because it is 4 ma.

Web See A New Diagram, Not The Best Solution, Just A Small Experiment.


It will take 6 of the 74192's. 2 for the 60 seconds counter, 2 for the 60 minutes counter and 2 for th 24 hours counter. Web #1 hello all, i'm new to the forum and i'm having trouble with a university project.

Atmega8A (Ic1) From Atmel Is At The Heart Of The Circuit.


Therefore, it prepares the drive circuit. Web dec 10, 2009. I have tried many design from internet like using ic 74192 or combination of jk flip.

Web 74192 Ic Is A Convenient Decimal Counter, Capable Of Reset To Zero, Preloading With A Specifiedvalue, And Of Counting Both Up And Down, As Well As Generating Carry And.


The 9 leds will blink counting in. Instead i put some display's called hex. Associated components include a 16×2 liquid.